太阳能聚合物电池的性能参数
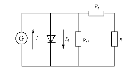
太阳能聚合物电池的等效电路图以及电流-电压特性曲线如图所示:

有机太阳能光聚合物电池的等效电路图

电流一电压特性曲线图
对于有机太阳能聚合物电池,主要评价参数有以下几点: (1)开路电压(Voc):是指太阳能聚合物电池在开路情况下,电流为零时的端电压,同时也是太阳能电池产生的最大电压,通常单位为V。太阳能聚合物电池的开路电压与光照强度、温度以及受体材料有关,主要取决于给体的HOMO能和受体的LUMO能之间的能级差:

HOMO能和受体的LUMO能之间的能级差
(2)短路电流(Jsc):短路电流是在电压和电阻都为零时通过的电流,即器件在没有外电场偏置情况下的电流,是在太阳能电池最大的输出电流,单位为mA.cm。 短路电流的大小的影响因素主要有:活性层对太阳光的吸收、电荷分离的量子效率、载流子在材料中的传输以及传输过程中的损耗等。
(3)填充因子(FF):定义为太阳能聚合物电池的最大功率与开路电压和短路电流的乘积之比,它说明了太阳能聚合物电池能够对外提供的最大输出功率的能力,其定义式为:

公式中,Vmax是指最大输出电压;Imax是指最大输出电流;Pmax是指最大输出功率。从伏安特性曲线我们可以看出,FF就是图中两个矩形的面积之比,无量纲,并且理想的太阳能电池的FF为1。填充因子大小的影响因素主要有:复合膜和电极间的接触电阻、复合膜中载流子迁移率,复合膜的厚度以及器件中的缺陷等!
(4)能量转换效率(PCE):在太阳能聚合物电池中,能量转换效率(PCE)是其最重要的参数之一,它定义为最大输出功率与入射的光照强度Pin之比,即:

由上式可知,太阳能聚合物电池的能量转换效率与开路电压、短路电流、填充因子以及光照强度密切相关。 (5)外量子效率(IPCE):外量子效率是外电路中产生的电子数与总的入射光子数的比值。其定义式为:

式中,Pin为入射光功率,入为入射单色光的波长。 从以上所述的公式可以发现,开路电压、短路电流、填充因子等因素是影响聚合物太阳能电池的能量转化效率的关键因素。提高太阳能电池伏安特性的方法有提高开路电压、短路电流和填充因子,并且使之趋向于理想太阳能聚合物电池的伏安特性。短路电流与所吸收光的强度(单位面积和单位时间内吸收的光子数)成正比,表面上看貌似提高有机物的厚度就能大大提高对光的吸收强度,但是激子的扩散距离或者是载流子的复合长度必须大于有机物的厚度,这是因为半导性聚合物材料的激子和电荷载流子的迁移率相对较低[]。这一瓶颈使得器件的最大优化厚度为100-200nm,该厚度与光吸收深度相当(100nm)。另外,太阳能聚合物电池的光谱响应并不能对太阳能光谱所涉及范围作出很好的回应,其光谱的响应的范围较窄,只有最大吸收峰位置的波长,才能产生较为强烈的响应,其他吸收峰的波长的响应较弱,所以普通白光下的能量转化效率与吸收峰处的单色光的能量转化效率相比较,会弱很多。此外,制备器件之后,又使得在光能转换电能这一传输道路上多了很多环节,每个环节都有不同程度的光电转换损耗。这一系列的环节都会造成光电效率的降低。
相关文章
-

染料敏化太阳能电池的原理及特点是怎么样的
2023-12-07 -

什么是CPV太阳能光伏技术,太阳能电池光伏技术类型
2023-12-04 -

什么是光电池,光电池的工作原理是怎么样的?
2023-09-12










